易造新聞
浪涌保護器在TT系統的應用-選擇絕對效果--易造防雷
浪涌保護器在TT系統的應用,TT方式供電系統是指將電氣設備的金外殼直接接地的保護系統,稱為保護接地系統,也稱TT系統。第一個符號T代表電力系統中性點直接接地。第二個符號T表示負載設備外露不與帶電體相接的金屬導電部分與大地直接聯接,而與系統直接接地無關。
電涌保護器(SPD)又稱為浪涌保護器,是用于低壓配電系統中電子信號設備上的一種雷電磁脈沖保護設備,與被保護設備并聯,限制瞬態過電壓和泄放電涌電流,以保護雷擊和過電壓時電路與設備的安全。適用于交流50/60HZ,額定電壓220V/380V的供電系統中,適用于家庭住宅、第三產業以及工業領域浪涌保護的要求。
浪涌保護器在TT系統的應用,TT系統有一點與大地直接連接,負荷側電氣裝置外露可導電部分接至電氣上與電源端接地點無關的獨立接地裝置上,如圖1 -1所示。TT系統必須有一個直接接地點,一般是配電變壓器或發電機的中性點;如果沒有中性點,必須有一根相線接地。電氣設備的外露可導電部分也必須接地,由同一保護電器的保護的電氣設備的所有外露可導電部分用保護線連接在一起,接到其共同的接地體上;當幾個保護器分級保護時,每個保護電器所保護的所有外露導電部分也必須按照這個方法接地。

圖1-1 TT系統
浪涌保護器在TT系統的應用,在TT系統內,電氣設備的金屬外殼用單獨的接地體接地,與電源在接地上無電氣聯系,所以其適用于對設備敏感的數據處理設備和精密電子設備的供電。保護線也各獨立,不會發生故障時對地故障的蔓延問題。
TT系統特別適用于容量較小的電氣負荷,例如對居民住宅供電等。如果電氣負荷容量較大,必須采用剩余電流保護器,例如漏電保安器,利用接地故障時的泄露電流使漏電保護器動作切斷電源。

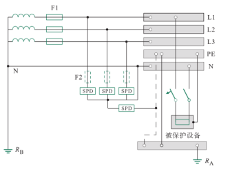
圖 1-2 低壓TT系統“3 +1”保護模式的SPD接線方式
浪涌保護器在TT系統的應用,3PN結構的浪涌保護器常適用三相交流電源TT系統保護中。TT系統中浪涌保護器的接線,TT系統是電源系統有一點直接接地。設備外露導電部分的接地與電源系統的接地電氣上無關的系統。三相四線,上面三個L口分別連接三條相線(火線),N口接零線,PE口接地線。接線方式如圖1 -2所示。
對于SPD 在低壓配電系統中的接線方式,在TT系統中接線形式應正確理解,合理運用,盡量避免引起 SPD 故障,甚至使之起火,影響配電系統的安全運行。
-End-
易造防雷浪涌保護器的主要優勢:
易造復合型防雷電源SPD專用浪涌保護器,20年設計壽命,一體式組合低壓電源防雷器小體積大通流,低殘壓、高TOV耐受1800V;MG串聯技術,0漏流0續流;密封結構無外泄電弧,不起火。
易造三相、單相、混合型防雷浪涌模塊采用鏈式放電技術,實現了防雷SPD的能量自動協調功能,安裝時無需考慮兩級電源交流SPD間的距離,t1、一類、一級SPD防雷器可以直接安裝于t2、ii、二級防雷浪涌保護器后端,安裝更快捷!
易造國產優質浪涌保護器品牌廠家,外殼采用PA66高阻燃絕緣防護材料,符合UL94V-0 RoHS REACH認證,一體式復合型組合設計防震防潮耐高溫,易造低壓防雷電源專用防雷器、交流雷電雷擊電涌SPD模塊等浪涌保護器廣泛應用于家用、配電箱、配電柜、消防、光伏、通訊、設備、系統、機房、電網、加油站、變電所、工廠、小區、電梯、控制柜、工業、新能源、通訊、建筑、軌道交通、石油石化等多個領域。
杭州易造是國家高新技術企業、杭州市“雛鷹計劃”企業,通過了ISO9001、ISO14001、ISO45001、3C等質量管理體系認證,國內專業電源防雷設備生產廠家,擁有全套風電浪涌保護器生產制作技術。主要生產一體式、復合型、單相、三相、兩相、直流、混合型等款式,提供不同配電系統對一級浪涌保護器、二級浪涌保護器的1PN、2P、3P、3PN、4P等全系列電源防雷模塊,SPD通過了UL、CSA、TUV、CQC、CE等權威認證,1500+規格型號可選擇,滿足所有低壓設備的電涌防護要求。

相關文章:
14. 浪涌保護器漏電流是越小越好嗎? 0漏電流的SPD有嗎?
18. 浪涌保護器安裝時需要注意的一個距離-這個點一定要注意
20. 浪涌保護器接線圖—專業防雷解答
25. ul1449認證的浪涌保護器-主回路脫扣裝置防雷更穩定
此文關鍵詞: 浪涌保護器在TT系統的應用
聯系易造
聯系易造
CONTACT EYZAO
咨詢熱線:133-8651-1449
固定電話:0571-89721333
公司郵箱: eyzao@eyzao.com
營銷中心:浙江省杭州市蕭山區錢江世紀城寧一路9號
我要留言
LEAVE A MESSAGE
推薦產品
產品資訊MORE
2022.11.14
2023.12.10
預防雷電安全小常識—防“雷”于未然,易造更安全【杭州易造】…
2022.07.27
2022.12.14
2022.02.22
看完這些后,在決定選擇哪家遠安雷電預警系統公司【易造防雷】…
2022.11.14
2022.05.16
2024.02.12
2023.01.16
雷電流大小可以被記錄下來嗎?雷電記錄儀是如何工作的?【杭州易造】…
2022.10.31
用戶評論
我要評論




