易造新聞
電涌保護器的共模保護和全模保護有什么區別-10年資深技術告訴你
經常聽人提到電涌保護器的共模保護和差模保護,到底它們之間有什么區別呢?今天易造小編來為大家介紹什么是電涌保護器的共模保護和全模保護模式?
一、什么是電涌保護器的保護模式?電涌保護器的共模保護和全模保護有什么區別?在GB/T 18802.12-2014中3.1.30對保護模式的標準定義:
SPD保護元件可連接在L(相線;也叫火線)、N(零線;也叫中性線)、PE(保護線)之間,即相對相、相對中性線、相對地、中性線對地及其組合(L-L、L-N、L-PE、N-PE),即在端子間保護被保護元器件的電流路徑,這些連接方式稱作保護模式。
目前,電涌保護器的保護模式大部分是4個保護模式(L-PE,N-PE),即三根火線分別與保護線,中性線與保護線連接。
二、什么是電涌保護器的共模保護和差模保護?
GB/T 18802.12-2014中6.1.1:位于或靠近被保護裝置的起始點的SPD應至少被連接在以下幾點之間:
a)如果在或接近被保護裝置的起始點處中性線和PE有直接連接,或沒有中性線;
在每條相線和總接地端子之間或保護導線之間,以連接線較短為優先選擇;
b)如果在或接近被保護裝置的的起始點處中性線和PE沒有直接連接:
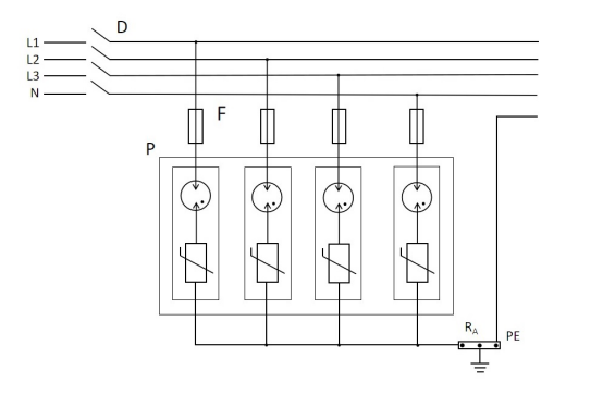
連接類型1(CT1)—在每條相線和總接地端子之間或保護導線之間(L-PE),在中性線和總接地端子之間或保護導線之間(N-PE),連接線以較短優先原則,見圖1所示。

圖1 連接類型1(CT1)
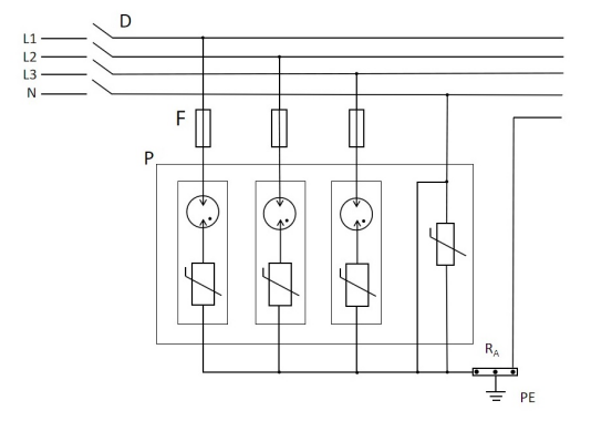
連接類型2(CT2)—在每條相線和中性線之間(L-N),在中性線和總接地端子或保護導線之間(N-PE),以連接線較短為優先原則,見圖2所示。

圖2 連接類型2(CT2)
說明:
D-斷路器
F-后備保護裝置(熔斷器或斷路器)
P-電涌保護器
RA-總接地端子或排
由于雷電電涌本質上是共模現象,因此交流電源SPD主要以共模方式(在有源導體和地之間)連接。某些應用需要額外的差模保護(在相線和零線之間)。
電涌保護器的共模保護和全模保護有什么區別?故由上標準定義我們可以總結出較為普遍的說法:
1、SPD接在相線之間(L-L)或相線與零線(L-N)之間稱為差模接法保護。
2、SPD接在相線與地線之間(L-PE)或零線與地線(N-PE)之間稱為共模接法保護(圖1 CT1)。
3、全模式(L-N、N-PE)指差模保護和共模保護(圖2 CT2),即三根火線之間,三根火線分別與中性線,三根火線分別與保護線,中性線與保護線,即全模式最多有10模式。

電涌保護器的共模保護器和差模保護的區別您了解了嗎?如果還想了解更多關于電涌保護器的信息,歡迎致電:
-End-
易造防雷浪涌保護器的主要優勢:
易造復合型防雷電源SPD專用浪涌保護器,20年設計壽命,一體式組合低壓電源防雷器小體積大通流,低殘壓、高TOV耐受1800V;MG串聯技術,0漏流0續流;密封結構無外泄電弧,不起火。
易造三相、單相、混合型防雷浪涌模塊采用鏈式放電技術,實現了防雷SPD的能量自動協調功能,安裝時無需考慮兩級電源交流SPD間的距離,t1、一類、一級SPD防雷器可以直接安裝于t2、ii、二級防雷浪涌保護器后端,安裝更快捷!
易造國產優質浪涌保護器品牌廠家,外殼采用PA66高阻燃絕緣防護材料,符合UL94V-0 RoHS REACH認證,一體式復合型組合設計防震防潮耐高溫,易造低壓防雷電源專用防雷器、交流雷電雷擊電涌SPD模塊等浪涌保護器廣泛應用于家用、配電箱、配電柜、消防、光伏、通訊、設備、系統、機房、電網、加油站、變電所、工廠、小區、電梯、控制柜、工業、新能源、通訊、建筑、軌道交通、石油石化等多個領域。
杭州易造是國家高新技術企業、杭州市“雛鷹計劃”企業,通過了ISO9001、ISO14001、ISO45001、3C等質量管理體系認證,國內專業電源防雷設備生產廠家,擁有全套風電浪涌保護器生產制作技術。主要生產一體式、復合型、單相、三相、兩相、直流、混合型等款式,提供不同配電系統對一級浪涌保護器、二級浪涌保護器的1PN、2P、3P、3PN、4P等全系列電源防雷模塊,SPD通過了UL、CSA、TUV、CQC、CE等權威認證,1500+規格型號可選擇,滿足所有低壓設備的電涌防護要求。

相關文章:
14. 浪涌保護器漏電流是越小越好嗎? 0漏電流的SPD有嗎?
18. 浪涌保護器安裝時需要注意的一個距離-這個點一定要注意
20. 浪涌保護器接線圖—專業防雷解答
25. ul1449認證的浪涌保護器-主回路脫扣裝置防雷更穩定
28. 光伏浪涌保護器為什么使用Y型結構-點擊了解其中的密碼
此文關鍵詞: 電涌保護器的共模保護和全模保護
聯系易造
聯系易造
CONTACT EYZAO
咨詢熱線:133-8651-1449
固定電話:0571-89721333
公司郵箱: eyzao@eyzao.com
營銷中心:浙江省杭州市蕭山區錢江世紀城寧一路9號
我要留言
LEAVE A MESSAGE
推薦產品
產品資訊MORE
2023.08.02
2022.10.27
2022.05.22
2022.10.07
2023.05.05
2022.04.21
2022.03.24
浪涌保護器多少錢一個?揭秘浪涌保護器價格,購買前必讀!-易造防雷…
2023.06.19
接地電阻測試儀的使用范圍——清楚范圍,“對癥下藥”!【易造防雷】…
2022.11.20
2022.06.12
用戶評論
我要評論




